导读

企业简介
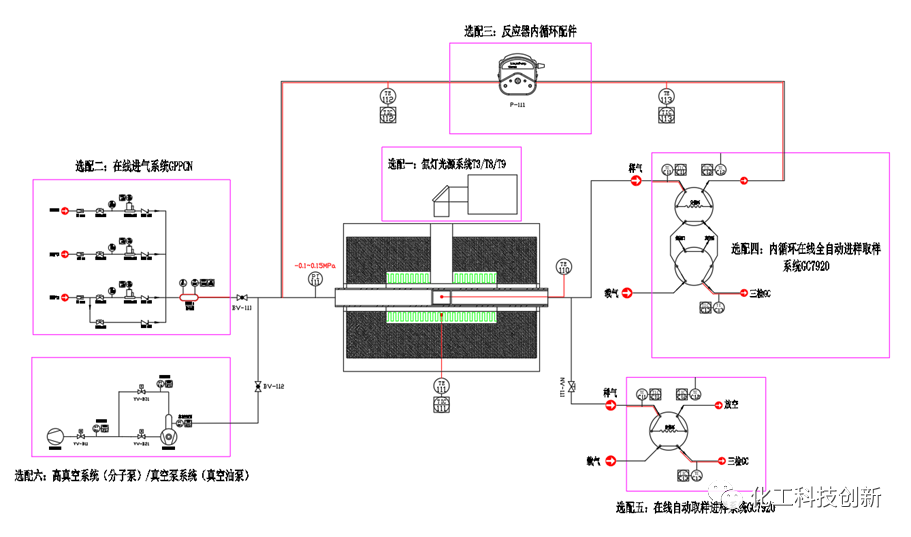
新品亮相!CEL-OPTH-Ⅵ光诱导合成催化系统(选配光源) CEL-OPTH-Ⅵ光诱导合成催化系统(光热协同),在光诱导的作用下,实现催化新材料的合成与光热催化活性的表征。系统由高温反应炉、石英反应管、法兰接头、导光柱、控制台等一体组成,该系统的优势是在高温加热过程中,上方选配的氙灯光源产生的光可通过导光柱由外向内导入石英反应管并照射到反应样品上,实现了光热催化协同作用。 高温光热催化反应系统实现高温过程中光催化反应体系,工作区温差小于±1℃; 可以让紫外光、可见光、红外光等光源照射到催化剂材料的表面,实现光热协同; 光热催化反应器采用高透光石英玻璃管,内含石英专用样品台; 可以实现气氛保护、抽取真空、多种气体流量控制等功能; 系统采用一体化结构设计,可以随时调整样品位置,实现快速加热或快速冷却; 采取模块化设计,光源、高温反应炉、高温石英反应器、高真空等,可根据实验调整。




中国化工学会(The Chemical Industry and Engineering Society of China,简称CIESC)于1922年4月23日在北京成立。“中国化工学会年会”由学术报告会和展览会两部分组成,是中国化工学会最重要的系列会议,每两年一届,是我国化工领域国际化、多学科、跨地区的高水平学术盛会,近年来对促进化学工程学术繁荣,推动化工行业科技创新发挥了重要作用。本届年会参会规模预计3000人。参会人员来自石油化工企业、高校及科研院所、化工及相关领域单位及机构,具有广泛的代表性。 CSTI2021中国化工科技创新展览会暨化工技术设备展依托于中国化工学会举办的“中国化工学会年会”“中国化工学会科技创新大会”,是其重要活动之一。展览面积6000平米,设计展位近300个。展览与学术会议紧密结合,展会专业观众80%都是来自于参加大会的注册代表,随着规模、展览面积以及展品种类的扩大,展商品质不断增加,,得到了越来越多注册代表的认可,成为他们每年一次的重要采购平台。展会不仅是业界国内外厂商新产品与技术发布平台,也是他们在化工领域推广新产品、新技术、新设备、新仪器,展示科研成果的有力平台。 我们不见不散!